Produktbeschreibung
Besonderheiten:
Deckenhaube für die Küchendecke oder einen Holz-/Trockenbau
Ausblasrichtung des Motors: Ausblasöffnung drehbar
Wahlweise in komplett oder partiell abgehängte Decke planbar
Einfache und schnelle Click
&
Fix
©
-
Montage RandabsaugungDer aufsteigende Dunst wird an den Außenkanten der Haubenkörperkonstruktion abgesaugt und zum dahinter liegenden Fettfilter geleitet. Bedingt durch die hohe Strömungsgeschwindigkeit am Rand der Dunsthaube kann selbst bei kleineren Motorstufen nahezu kein Kochdunst in die Küche entweichen. Es entstehen keine Turbulenzen, der Mitnahmeeffekt ist hoch und Abpralleffekte spielen keine Rolle. Die Luft strömt nicht erst in die Küche, sondern direkt in die Dunsthaube. Die aus der Randabsaugung resultierende Effizienzsteigerung ermöglicht den Betrieb in niedrigeren Leistungsstufen, mit weniger Energieverbrauch und geringerer Geräuschentwicklung.
mit hoher Strömungsgeschwindigkeit Auto-Stop nach 3 Betriebsstunden
Schallgedämmter Umluftauslass
Flächenbündige LED-Leuchte für ein ansprechendes Design. 4 x 2 W dimmbar
Elektronikschaltung 4stufig
Fettfiltersättigungsanzeige
Fernbedienung serienmäßig, Frequenz änderbar bei mehreren Modulen
Steuerbar über Novy-Induktionsfelder mit InTouch-Technologie
Nachlaufzeit in allen Gebläsestufen zuschaltbar
Umluft mit spezieller Umluftbox möglich
Anschluss an kleinere Abluftsysteme nicht möglich
Vorrüstung zur bauseitigen Montage eines vorhandenen Fensterkontaktschalters optional möglich (Art.-Nr. 35.000)
Gewicht Dunsthaube / externer Motor (kg) 19,5+motor
ACHTUNG: Diese Dunstabzugshaube ist nicht mit einem Motor ausgerüstet, dieser muss separat bestellt werden! Sie finden eine Auswahl an entsprechenden Motoren unter "Sonderzubehör".
Ausstattungsmerkmale:
Schalldämmung: integriert
Geräteunterseite aus weißem Stahlblech, einbrennlackiert
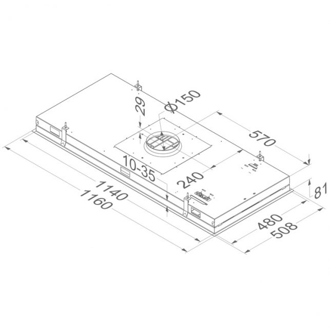
Abluftstutzen: 150 mm rund
Schaltung: Tasten/Funkfernbedienung
Anzahl Metallfettfilter: 1
Reinigungsfettfilter: ja
EcoSmart
Technische Informationen:
- Typ: Deckenhaube Extern
- Umluft: optional
- Schalldämmung: integriert
- Abmessungen (BxTxH): 116,8 x 50,8 cm x 8,1cm
- Breite: 90cm
- Ausschnitt: 114,5 x48,5
- Leistung freiblasend: siehe Motor
- Leistung: siehe Motor
- Geräusch: siehe Motor
Geschwindigkeitsstufen: 3 + Intensiv
Schaltung: Elektronikschaltung
Schaltung: Tasten / Fernbedienug
Anzahl Metallfettfilter: 1 Stück, spülmaschinentauglich
Anschlusswert max. bei externem Motor: 13+motor (W)
Im Lieferumfang enthalten:
* Angaben zur Herstellergarantie
Der Hersteller gewährt deutschlandweit 5 Jahre Garantie auf den gelieferten Artikel Novy Pure'line 6845. Treten während dieses Zeitraums Material- oder Herstellungsfehler auf, gewährt der Hersteller im Rahmen der Garantie eine der folgenden Leistungen nach seiner Wahl:
- Reparatur des Artikels Novy Pure'line 6845, Dekor Edelstahl oder
- Austausch gegen einen gleichwertigen oder neuen Artikel Novy Pure'line 6845(ggf. auch ein Nachfolgemodell)
Bitte wenden Sie sich im Garantiefall an:
NOVY GmbH
Frankenring 18
30855 Langenhagen
Deutschland
Tel. +49 (0)511 / 5420771
Fax +49 (0)511 / 5420772
info@novy-dunsthauben.de
Hinweis:
Ihre gesetzlichen Gewährleistungsrechte uns gegenüber bleiben hiervon unberührt. Ist die Kaufsache mangelhaft, können Sie sich daher in jedem Fall an uns halten, unabhängig davon, ob der Garantiefall eintritt und ob die Garantie in Anspruch genommen wird oder nicht.
Der belgische Hersteller Novy bietet hochinnovative Ausstattungsmerkmale für seine Dunstabzugshauben an. Viele der Novy Inselhauben, Wandhauben, Deckenhauben sowie Muldenlüftungen können beispielsweise mit einer Fernbedienung gesteuert werden. Die Randabsaugung ist in fast jedem Dunstabzug von Novy zu finden, da die Entwicklung dieser Technik auf ein Novy-Patent aus dem Jahre 1973 zurückgeht. Die InTouch-Funktion ermöglicht es dem Novy Kochfeld mit dem Novy Dunstabzug zu kommunizieren und somit immer die perfekte Leistung, sowohl in Umluft- als auch im Abluftbetrieb, bereitzustellen.

Dunstabzugshaube für Abluft
Dieses Gerät eignet sich für eine direkte Abluft ins Freie.

Funkfernbedienung möglich
Dunsthauben mit diesem Piktogramm sind serienmäßig bzw. optional mit einer Fernbedienung ausgerüstet. Es besteht die Möglichkeit, die Dunsthaube direkt mittels Schaltung am Gerät oder über die Fernbedienung zu steuern.

InTouch möglich
Exklusives Novy-System, das die Steuerung aller Dunstabzugshauben-Funktionen direkt vom Novy Kochfeld mit InTouch ermöglicht.

Fettfilterdesign
Metallfettfilter mit besonders ansprechender Edelstahl-Oberfläche.
Randabsaugung
Dunstabzugshauben mit diesem Piktogramm sind mit verdeckt liegenden Metallfettfiltern ausgestattet. Das Ansaugsystem der Randabsaugung ist eine Novy-Erfindung aus den 1960er Jahren und wurde 1973 zum Patent angemeldet.
CUBIC-Motor
Eine Besonderheit diverser Geräte ist der dreh- und abnehmbare CUBIC-Motor. Er kann einfach vom Gerät genommen und extern im Gebäude platziert werden. Die Einbauhöhe der Dunstabzugshaube wird dadurch reduziert. Für eine maximale Planungsfreiheit kann dabei die Ausblasöffnung im bzw. mit Motorblock 90° weise gedreht werden.

Click & Fix
Hierunter versteht man die besonders einfache und schnelle Montage von Novy Deckenhauben und Lüfterbausteinen. Die Dunsthaube wird in den Ausschnitt der Decke bzw. des Schranks gehoben und rastet dabei mit einem Clicken ein. Anschließend müssen für eine feste Montage lediglich die Schrauben der Halteklammern festgedreht werden und das Gerät ist sicher fixiert.
Dunstabzugshaube für Umluft
Wenn aus verschiedenen technischen oder ökologischen Gründen Abluft nicht möglich oder zulässig ist, bietet Novy die Möglichkeit, die Dunsthaube im Umluftbetrieb zu benutzen. Hierbei wird der angesaugte Kochdunst zurück in die Küche geleitet. Kohlefilter sorgen für eine effektive Geruchsminimierung. Alle Umluftmodelle sollten nach jedem Kochen nachlaufen.

EcoSmart
Extra leise, hocheffektive, nachhaltige und energiesparende Produkte.

Power
Jede Zone hat einer Power Funktion, die die Leistung deutlich erhöht. Ideal z.B. beim Kochen von größerer Mengen Wasser.

Warmhaltefunktion
Mit der Warmhaltefunktion ist es sehr einfach eine konstante Temperatur zu halten.

Grill

Brückenfunktion
Mit dieser Funktion koppelt man zwei hintereinander liegende Induktoren, damit man über einen Slider- bzw. eine Touch-Control-Steuerung beide Induktoren gleichzeitig bedienen kann. Dies ist zum Beispiel beim Kochen mit einem Bräter sehr praktisch.

Stop & Go
Durch Aktivieren dieser Funktion wird der Kochvorgang vorübergehend unterbrochen. Nach nochmaligem Berühren der Taste werden die ursprünglich eingestellten Niveaus wieder aktiviert.

Induktoren
Layout der Kochzonen bzw. Induktoren mit unterschiedlichen Größen und Kapazitäten.

Induktoren
Layout der Kochzonen mit großen, identischen und sehr leistungsstarken Induktoren.

Induktoren
Layout der Kochzonen mit achteckigen Großflächen-Induktoren für maximale Flexibilität und höchstes Kochvergnügen.